杏吧原创
关于杏吧原创
杏吧原创 简介
杏吧原创文化
组织架构
资质荣誉
子公司
产业布局
数字传媒
油墨化工
林产化工
解决方案
资讯中心
社会责任
投资者关系
招贤纳士
联系我们
| 股票代码:300063
3.91
-0.01
-0.26%
公司公告
返回
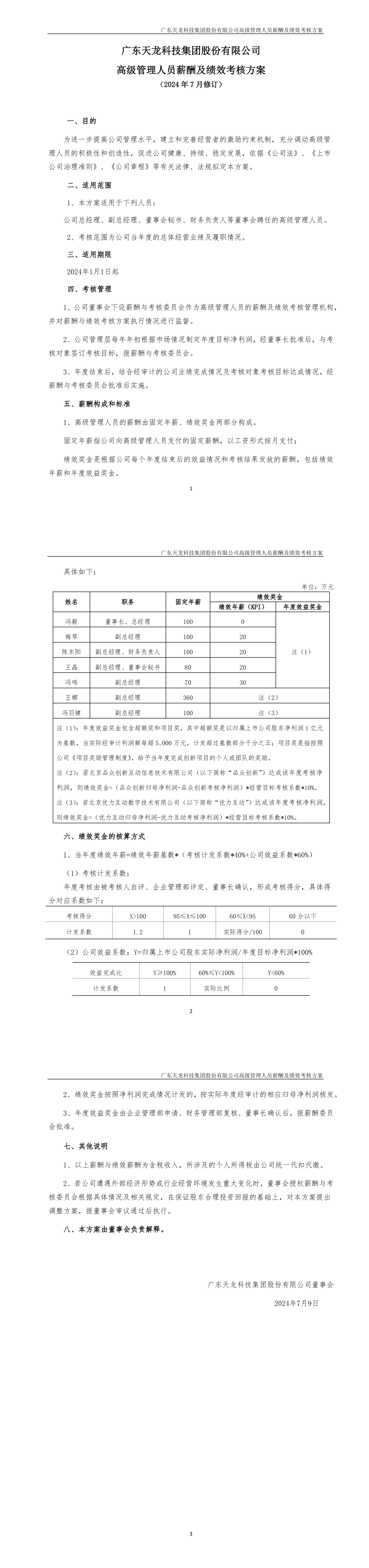
高级管理人员薪酬与绩效考核方案(2024年7月修订)
2024-09-24 09:40
高级管理人员薪酬与绩效考核方案(2024年7月修订)